amjs澳金沙门资讯 FOVO NEWS
20190508
根据环境保护部《企业事业单位环境信息公开办法》及《排污许可证》相关要求,山东amjs澳金沙门股份有限公司现将第一季度环境监测报告信息公示如下:
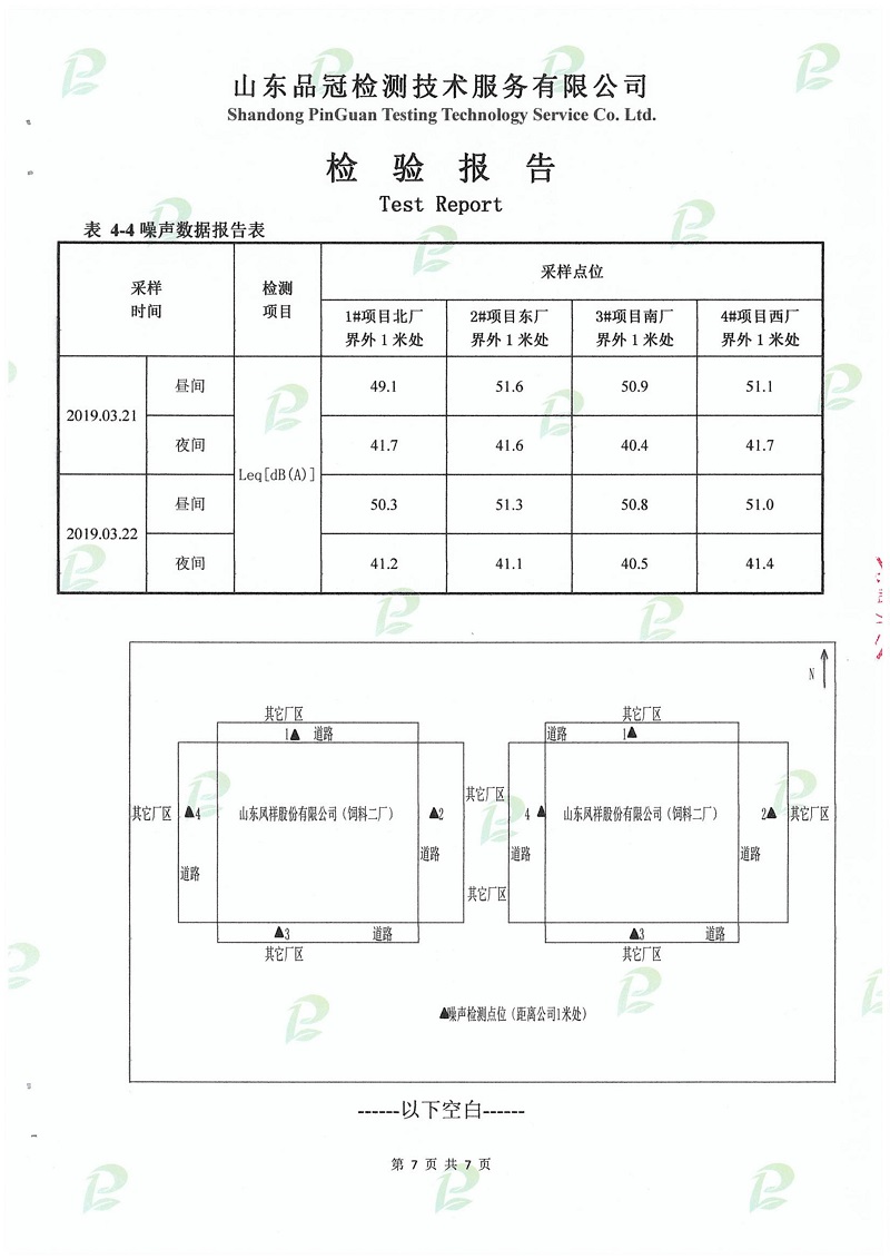
饲料二厂 废气废水噪声检测报告
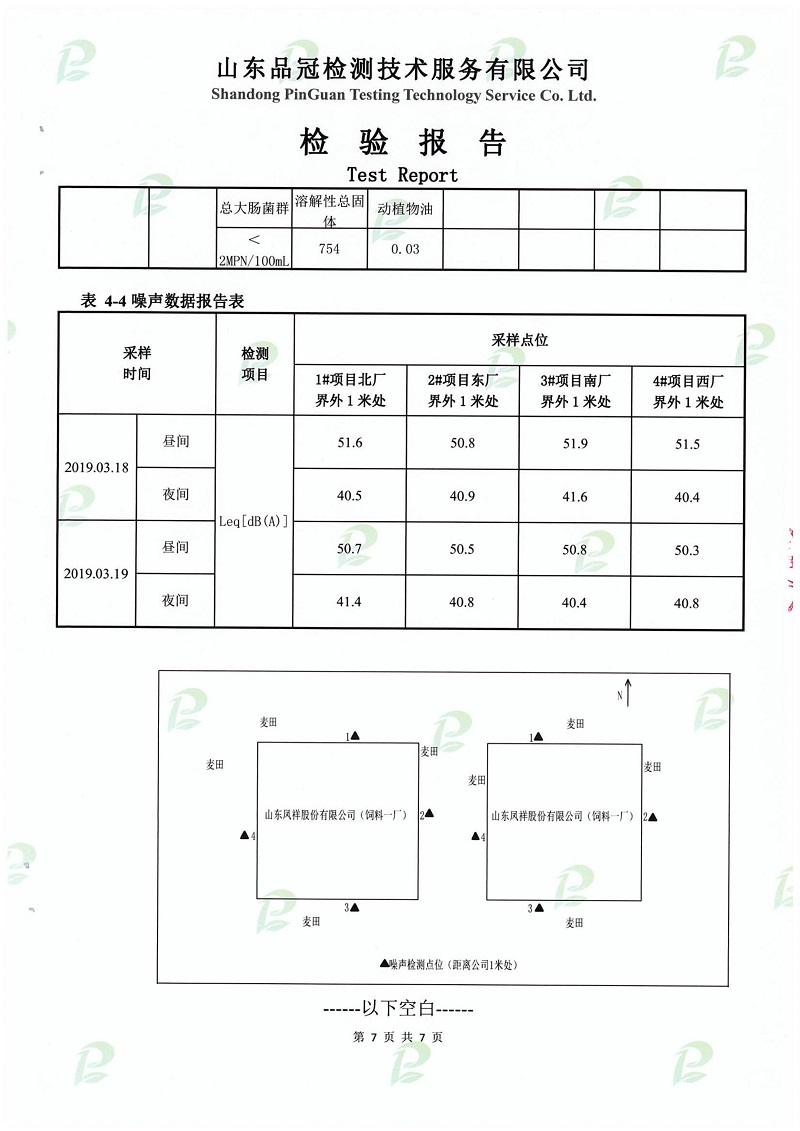
饲料一厂 废气废水噪声检测报告